Фланцы воротниковые ГОСТ 33259-2015: технические характеристики и применение
Фланцы воротниковые ГОСТ 33259-2015 — соединительные детали трубопроводов, предназначенные для монтажа на ответственных участках с высоким давлением и температурой. Используются в нефтегазовой, химической, энергетической отраслях.
Технические характеристики
Тип: Приварные встык (воротниковые)
Давление (Ру):0.1–20.0 МПа (от 1 до 200 кгс/см²)
Диаметры (Ду)от 10 до 1600 мм
Материалы: Углеродистые, легированные, нержавеющие стали
Температура среды: от -70 до +600°C
Диаметры (Ду)от 10 до 1600 мм
Материалы: Углеродистые, легированные, нержавеющие стали
Температура среды: от -70 до +600°C
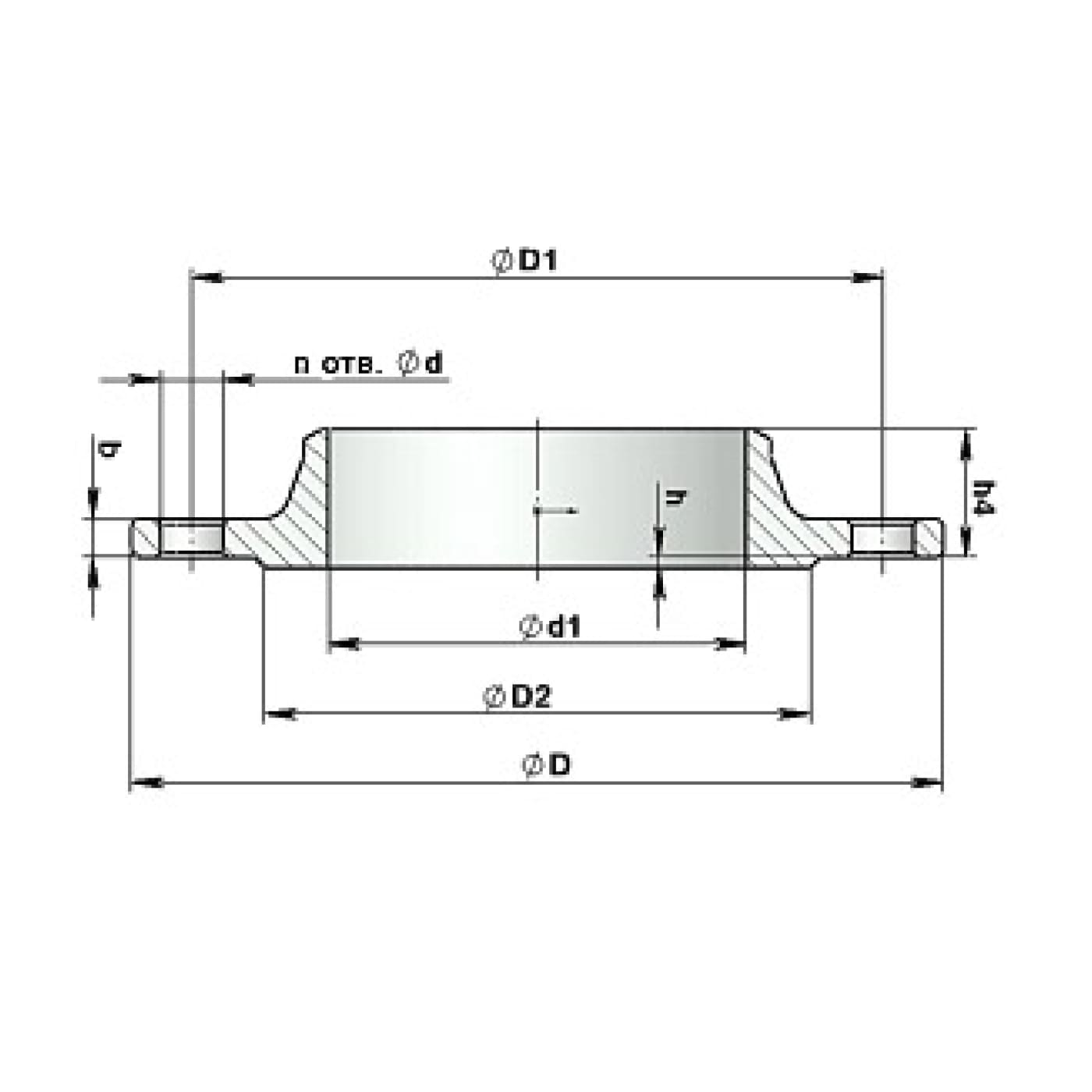
Чертеж фланца воротникового ГОСТ 33259-2015
Конструкция включает юбку (воротник) для приварки встык, что обеспечивает повышенную прочность соединения:
D — диаметр окружности болтов
d — внутренний диаметр</li>
h — высота фланца
n — количество отверстий под крепеж
D — диаметр окружности болтов
d — внутренний диаметр</li>
h — высота фланца
n — количество отверстий под крепеж
Материалы изготовления
12Х18Н10Т — нержавеющая сталь для агрессивных сред
09Г2С — углеродистая сталь для общего применения
15Х5М — жаропрочная сталь для высоких температур
12Х18Н10Т — нержавеющая сталь для агрессивных сред
09Г2С — углеродистая сталь для общего применения
15Х5М — жаропрочная сталь для высоких температур
Область применения
Нефтегазовая промышленность
Химические производства
Энергетика и теплоснабжение
Пищевая промышленность
Преимущества воротниковых фланцев
Высокая прочность соединения
Устойчивость к высоким давлениям и температурам
Длительный срок службы
Широкая область применения
Нефтегазовая промышленность
Химические производства
Энергетика и теплоснабжение
Пищевая промышленность
Преимущества воротниковых фланцев
Высокая прочность соединения
Устойчивость к высоким давлениям и температурам
Длительный срок службы
Широкая область применения